Rubrik: Editorial
(Treffer aus cleanroom & processes, Nr. 1, Seite 1 (2026))
Liebe Leserinnen und Leser, vielleicht erinnern Sie sich noch an diese Aufbruchsstimmung in der Batteriefertigung, die vor Kurzem herrschte. Da begann der schwedische Energiespeicher-Hersteller Northvolt ein Mega-Werk in der Nähe von Heide in Schleswig-Holstein aus dem Boden zu stampfen und die deutsche Wirtschaft – allen voran die Reinraumbranche – frohlockte und freute sich. Doch zu Beginn des Jahres 2025 folgte die Ernüchterung: Northvolt war pleite, die Fertigstellung des Werks unklar. Jetzt keimt wieder die Hoffnung, denn der insolvente Batteriehersteller aus Schweden wurde kürzlich vom US-amerikanischen Unternehmen Lyten übernommen. Was das für die Großbaustelle nahe der Nordseeküste heißt, ist jedoch noch ...
Rubrik: Technik
(Treffer aus cleanroom & processes, Nr. 1, Seite 4 (2026))
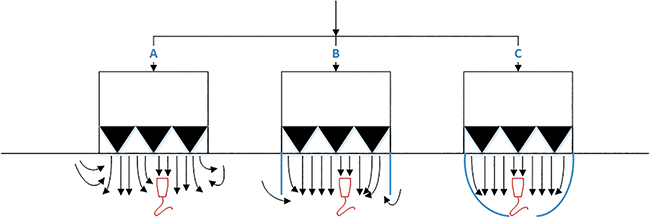
Sieder F | Stöger M | Wewerka D
Rubrik: Produktion
(Treffer aus cleanroom & processes, Nr. 1, Seite 14 (2026))
Rubrik: Planung
(Treffer aus cleanroom & processes, Nr. 1, Seite 22 (2026))
Rubrik: Ausstattung
(Treffer aus cleanroom & processes, Nr. 1, Seite 30 (2026))
Rubrik: Ausstattung
(Treffer aus cleanroom & processes, Nr. 1, Seite 36 (2026))
Rubrik: Messen/Steuern/Regeln
(Treffer aus cleanroom & processes, Nr. 1, Seite 44 (2026))

Rubrik: Forschung
(Treffer aus cleanroom & processes, Nr. 1, Seite 52 (2026))

Rubrik: Personen | Unternehmen
(Treffer aus cleanroom & processes, Nr. 1, Seite 54 (2026))
RAUMEDIC hat im Jan. 2026 Bianca Holler als Chief Human Resources Officer (CHRO) in den Vorstand berufen. Mit der Erweiterung des Führungsgremiums um eine eigenständige Vorstandsposition für Personal unterstreicht das Medizin- und Pharmatechnikunternehmen die strategische Bedeutung seiner Mitarbeitenden für den Unternehmenserfolg. Holler ist seit Mai 2023 Teil von RAUMEDIC und hat in ihrer bisherigen Funktion als Global Vice President Human Resources bereits zur strategischen Weiterentwicklung der Personalarbeit beigetragen. Unter ihrer Verantwortung hat das Unternehmen die Personalarbeit strategisch neu aufgestellt: von der Modernisierung der Leistungsbeurteilung über die Weiterentwicklung der Führungskultur bis hin zur systematischen Messung und Verbesserung der Mitarbeiterzufriedenheit.

Rubrik: Personen | Unternehmen
(Treffer aus cleanroom & processes, Nr. 1, Seite 54 (2026))
Im Jan. 2026 hat Franz Kamhuber von Martin Stadler die Geschäftsführung bei ViscoTec übernommen. Nach 23 Jahren im Unternehmen verließ der bisherige technische Geschäftsführer Stadler ViscoTec. Die Gesamtverantwortung übernahm danach der bisherige kaufmännische Geschäftsführer Kamhuber, der damit für Kontinuität und Stabilität in der Führung steht. Gleichzeitig stärkte ViscoTec seine Managementstruktur: Mit dem Ausscheiden von Stadler wurden die beiden Bereichsleiter Josef Donislreiter und Florian Wagner mit Einzelprokura ausgestattet. Gemeinsam mit Kamhuber bilden diese beiden künftig das Management Board. Das Unternehmen ist ein Spezialist für Dosiertechnik und beschäftigt mehr als 350 Mitarbeitende.

Rubrik: Personen | Unternehmen
(Treffer aus cleanroom & processes, Nr. 1, Seite 54 (2026))
Fette Compacting hat im Dez. 2025 eine eigene Tochtergesellschaft in Italien eröffnet. Der neue Standort in der Wirtschaftsregion Bologna wird die wachsende Zahl an Kunden in den Sektoren Pharma und Nutrition künftig noch intensiver betreuen und dient als lokaler Hub für Vertrieb, Service und technische Beratung. Die Leitung der neuen Niederlassung übernahm Alessandro Recupero, der als Managing Director Erfahrung im Bereich der pharmazeutischen Produktion mitbringt. Italien verfügt über eine der leistungsstärksten pharmazeutischen Industrien Europas. Das Land zeichnet sich durch eine stark international ausgerichtete Arzneimittelproduktion sowie eine hohe Dichte spezialisierter Vertragsentwicklungs- und Fertigungsunternehmen (CDMO) aus.

Rubrik: Produkte
(Treffer aus cleanroom & processes, Nr. 1, Seite 55 (2026))
Das Linienmanagementsystem (LMS) OMNIA von Bausch+Ströbel ist eine zentrale Plattform für die Überwachung, Analyse und Steuerung pharmazeutischer Produktionslinien. GMP-konform und zukunftssicher bietet es Zugriff auf Echtzeitdaten, Chargeninformationen und Rezepte. Dank modularer Architektur lassen sich Funktionen wie Linienübersicht, Reporting, Overall Equipment Effectiveness (OEE), Chargen- und Rezeptmanagement flexibel kombinieren und erweitern. Ob lokal oder cloudbasiert – das LMS passt sich individuellen Anforderungen an und digitalisiert Prozesse über alle Maschinentypen hinweg. Integriert in die OMNIA-Plattform schafft es Transparenz, Effizienz und große Flexibilität für moderne Produktionsumgebungen. www.bausch-stroebel.com

Rubrik: Produkte
(Treffer aus cleanroom & processes, Nr. 1, Seite 55 (2026))
Angst+Pfister präsentiert mit evolast eine neue Generation von Perfluorelastomeren (FFKM) für die Halbleiterindustrie. Laut Hersteller zeichnet sich das Material durch eine extrem niedrige Ausgasungsleistung von 0,02 ppm aus, wodurch es die Prozessintegrität in Plasma-, Temperatur- und Nasschemieumgebungen schützt. Entwickelt und gefertigt in Europa, bietet evolast kontaminationsfreie Abdichtung, hohe Zuverlässigkeit und unterstützt eine effiziente Waferproduktion. Die evolast-Reihe umfasst speziell abgestimmte Materialien für verschiedene Anwendungen, wie die PS1-Serie für Nasschemieprozesse, die PS2-Serie für hohe Temperaturen bis 340 °C und die PS3-Serie für Plasma- und Gasabscheidung. Umfangreiche TDS-Tests bestätigen die außergewöhnliche Reinheit und Stabilität der Werkstoffe. www.angst-pfister.com

Rubrik: Produkte
(Treffer aus cleanroom & processes, Nr. 1, Seite 55 (2026))
Die CG TEC GmbH präsentiert innovative CFK-Präzisionselemente für die industrielle Messtechnik. Nach Angaben des Unternehmens bieten die leichten, steifen und schwingungsarmen Carbon-Taster eine Alternative zu herkömmlichen Lösungen aus Metall oder Keramik. Sie sollen besonders bei komplexen Messaufgaben und großen Bauteilen durch Stabilität, Präzision und Effizienz überzeugen. Die Komponenten zeichnen sich durch minimales Gewicht, Temperaturbeständigkeit und effektive Schwingungsdämpfung aus. Einsatzbereiche umfassen die Automobilindustrie, Luft- und Raumfahrt sowie Medizintechnik. Laut CG TEC ermöglichen diese Bauteile reproduzierbare Messergebnisse und kürzere Messzyklen. Das Unternehmen sieht in CFK die Zukunft der Messtechnik und kombiniert Leichtbau mit Präzision und Nachhaltigkeit. www.cg-tec.de

Rubrik: Produkte
(Treffer aus cleanroom & processes, Nr. 1, Seite 56 (2026))
Conta-Clip Verbindungstechnik erweitert kontinuierlich sein Kabeldurchführungsprogramm KES mit einem Augenmerk auf die aus zertifiziertem, hygienischem Material gefertigten Ausführungen für die Pharmaindustrie. In diesem Kontext entstand auch die in charakteristischem Blau gehaltene runde FDA-Variante von KES-R-FDA M. Diese Kabeleinführung ermöglicht eine schnelle und platzsparende Einführung von bis zu 68 Leitungen in Schaltschränke oder Maschinengehäuse. Zudem erfüllt das Produkt durch glatte Oberflächen und abgerundete Ecken die geforderten Hygieneeigenschaften in der Pharmaindustrie. Das Unternehmen bietet die FDA-Kabeleinführungen KES-R-FDA M aktuell in 15 runden Varianten für unterschiedliche Leitungsanzahlen und -durchmesser an. conta-clip.com

Rubrik: Produkte
(Treffer aus cleanroom & processes, Nr. 1, Seite 56 (2026))
Mit dem neuen lift2move cleanroom bietet Expresso ein mobiles Hebe- und Transportsystem für Reinräume, das nach ISO 14644 zertifiziert ist. Das Vorschubgerät erweitert die lift2move-Modellreihe und ist ausgelegt für den Einsatz in der Elektronik- und Halbleiterfertigung sowie in den Forschungsabteilungen vieler anderer Branchen. Das System ist mit einem elektrisch angetriebenen Hubmast und einem Ausleger zur Aufnahme von Werkstückträgern, Bauteilen oder Behältern ausgestattet. Es bewältigt Nutzlasten von bis zu 180 kg und kann seine Last frei im Raum bewegen sowie über einen Hubweg von 1 600 mm heben und senken. Als Reinraum-zertifiziertes Hebe-Senk-Gerät ist das System nahezu vollständig in Edelstahl und Aluminium ausgeführt. Alle Oberflächen ...

Rubrik: Produkte
(Treffer aus cleanroom & processes, Nr. 1, Seite 56 (2026))
The Rapid Decon Station (RDS) from Franz Ziel is the flexible and fast material transfer chamber for decontamination of goods and Rapid Transfer Ports (RTP) transfer containers. The system has the following features: The security of being able to bring in consumables in aseptic processes at any time in order to meet production times. The safety to store consumables sterile under Grade A conditions in the RDS during production in order to gradually transfer them to the isolator. The RDS ensures fast, sterile and highly flexible transfer of consumables, e.g. Environmental Monitoring (EM) settle plates, and supplies and enables frequent loading ...

Rubrik: Produkte
(Treffer aus cleanroom & processes, Nr. 1, Seite 57 (2026))
Die Systec GmbH & Co. KG hat die neuen Systec DX- und VX-Serien von Laborautoklaven präsentiert. Laut Hersteller basieren die Geräte auf der Technologie der Systec HX-Serie und wurden hinsichtlich Design, Prozessarchitektur und Steuerung überarbeitet. Sie sollen präzisere und ressourcenschonendere Sterilisationsprozesse ermöglichen. Die DX-Serie umfasst kompakte Tischautoklaven (25 l bis 200 l), die VX-Serie bietet vertikale Standautoklaven (40 l bis 150 l) für größere Beladungshöhen. Beide Serien verfügen über digitale Schnittstellen, manipulationssichere Dokumentation und zahlreiche Anpassungsoptionen. Mit dem webbasierten Überwachungssystem Systec Connect DS können Prozesse zentral gesteuert und überwacht werden. Die neuen Modelle sollen die Effizienz und Sicherheit in Laboren steigern. www.systec-lab.de

Rubrik: Produkte
(Treffer aus cleanroom & processes, Nr. 1, Seite 57 (2026))
Steinmeyer Mechatronik, Teil der Steinmeyer-Gruppe, stellt das MP220-4 vor, ein hochpräzises XYZ-Tip-Tilt Positioniersystem für optische und aktive Ausrichtprozesse in der Optik- und Halbleiterfertigung. Nach Angaben des Unternehmens bietet das System Submikrometer-Präzision, Wiederholgenauigkeit von ±0,5 μm (linear) und ±0,003° (rotatorisch) sowie eine Traglast bis 10 kg. Es ist kompakt (235×220×100 mm) und eignet sich für Reinraum- und Durchlichtanwendungen. Das System kombiniert lineare Bewegungen in X/Y mit Kippbewegungen um die X- und Y-Achsen. Eine spielfrei vorgespannte Kardan-Kinematik und hochpräzise Achsen ermöglichen präzise Justagen, z. B. für Optiken, Laser oder Wafer-Substrate. Es ist skalierbar und flexibel konfigurierbar, unter anderem für Reinraum- oder Vakuumanwendungen. www.steinmeyer-mechatronik.de

Rubrik: Produkte
(Treffer aus cleanroom & processes, Nr. 1, Seite 57 (2026))
Warex Valve hat die Containerklappe DKZ 105 SKV für Anwendungen in der Pharmaindustrie entwickelt. Die Armatur dient als Auslaufverschluss für Intermediate Bulk Container(IBC)-Schüttgutcontainer und erfüllt hohe Anforderungen an Hygiene, Dichtheit und Wartungsfreundlichkeit. Weiterhin wird die Containerklappe vollständig aus Edelstahl 1.4404 gefertigt und in totraumarmer Ausführung realisiert. Dadurch werden Produktablagerungen minimiert und Reinigungsprozesse vereinfacht – ein Vorteil für sensible Einsatzbereiche. Ein besonderes Konstruktionsmerkmal ist die speziell ausgeführte Dichtung ohne Störkanten, die einen kontrollierten Materialfluss ermöglicht und gleichzeitig eine hohe Dichtheit sicherstellt. www.warex-valve.com